■ 单出滑块产品型号
■ 单出导轨产品型号
我司提供标准型及宽幅型两种直线导轨,方便客户选型使用。
我司提供标准上锁式螺栓孔/下锁式螺丝孔导轨,方便客户安装使用。
PMGN及PMGW系列小型导轨的精度,分为普通、高、精密级共三级,客户可依设备精度需求选用适合精度。
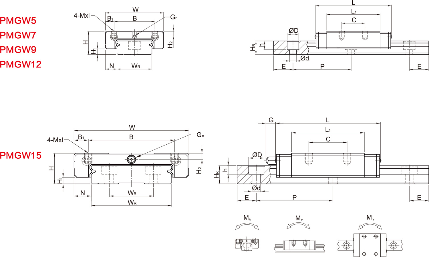
组合高度H测量是以滑块上部基准面中心位置为准,组合宽度N测量是以滑块侧边基准面中心位置为准。
互换性直线导轨的精度是指滑块组装在单支导轨上的成对高度精度及宽度精度。
与非互换性直线导轨的精度对比,互换性直线导轨的精度在复数支导轨上其成对高度精度及宽度精度要稍显逊色,而行走平行精度则与非互换性直线导轨一致。
滑块C面对导轨A面、滑块D面对导轨B面的行走平行度与导轨精度、长度有关,其值列于下表。
PMGN/PMGW系列提供普通间隙、无预压、轻预压三种预压力。
注:预压力中C为动额定负荷。
不同的预压力呈现不一样的滑块刚性,上表为各尺寸的滑块刚性值。
注:容许值与轴间距离成比例。
注:上述数值适用于ZF/Z0之预压等级,若使用Z1等级或使用两支以上的导轨(含两支),建议使用上述数值之50%以下。
安装导轨时是否锁紧贴平基准面影响直线导轨精度甚剧,因此为达到每颗螺丝都能锁紧的目的,建议使用下列扭力值锁装配螺丝。
注:1kgf=9.81 N
备有导轨标准长度库存,以供应客户需求。若客户订购非标准长度导轨时,端面距离E的尺寸,最好不要大于1/2P,防止因E的尺寸过大,导致导轨装配后端部的不稳定,而降低直线导轨的精度,亦不可取用过小的E值(小于Emin)以避免螺栓孔/螺丝孔破孔。
L=(n-1)×P+2×E ……………………………………Eq.2.4
L:导轨总长(mm)
n:螺栓孔 / 螺丝孔数
P:螺栓孔 / 螺丝孔间距离(mm)
E:螺栓孔 / 螺丝孔至端面距离(mm)

